Part 2 - Test and Performance Specifications for Type Approval of 15 ppm Bilge Alarms
Clasification Society 2024 - Version 9.40
Statutory Documents - IMO Publications and Documents - Resolutions - Marine Environment Protection Committee - Resolution MEPC.107(49) - Revised Guidelines and Specifications for Pollution Prevention Equipment for Machinery Space Bilges of Ships - (adopted on 18 July 2003) - Annex - Revised Guidelines and Specifications for Pollution Prevention Equipment for Machinery Space Bilges of Ships - Annex - Part 2 - Test and Performance Specifications for Type Approval of 15 ppm Bilge Alarms

Part 2 - Test and Performance Specifications for Type Approval of 15 ppm Bilge Alarms

2.1 General

  2.1.1 These Test and Performance Specifications relate to 15 ppm Bilge Alarms. In addition, the electrical and electronic section of these systems should be in accordance with the Specifications for Environmental Testing contained in part 3 of this annex.

  2.1.2 The 15 ppm Bilge Alarm being tested should comply with all the relevant requirements of the technical specifications contained in section 4.2 of these Guidelines and Specifications.

2.2 Test specifications

  2.2.1 For a 15 ppm Bilge Alarm, the accuracy should be within ± 5 ppm. The accuracy of a 15 ppm Bilge Alarm should remain within the above limits despite the presence of contaminants other than oil, and the power supply varying by 10% from the design value i.e. in respect of electricity, compressed air, etc.

  2.2.2 The sampling arrangement for the test rig should be such that a representative homogeneous sample is obtained under all conditions of operation and under all operational proportions of oil content. The sample should be obtained from the full flow through the 15 ppm Bilge Alarm, but when this is impracticable the sampling arrangements shown in figure 4 in part 1 should be used. Special care should be given to this stage of the process and the validity of the resultant findings.

  2.2.3 During the various tests, the response time of the 15 ppm Bilge Alarm should be checked and it should be noted whether alarms operate adequately when a pre-stated threshold is exceeded.

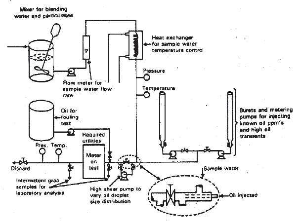
  2.2.4 A diagrammatic arrangement of a test facility for evaluating the performance of the 15 ppm Bilge Alarm is given in figure 5. The accuracy of the 15 ppm Bilge Alarm will be determined by comparing its readings against a known flow of Test Fluid injected into a known flow of water. The grab samples taken will be analysed in a laboratory by the methods specified in part 4 of this annex. The results of the laboratory analysis will be used for correction and to indicate sampling and test equipment variability. The water flow rate will be adjusted so that the entire Test Fluid-water flow passes through the 15 ppm Bilge Alarm, except the intermittent grab sample stream. Special care should be given to keep, continuously, a constant Test Fluid content in the water that flows into the 15 ppm Bilge Alarm. The metering pumps should be adjusted to deliver a nearly continuous quantity of Test Fluid. If Test Fluid injection becomes intermittent at low concentrations, the Test Fluid may be pre-mixed with water to provide continuous flow. The Test Fluid injection point should be immediately up-stream of the 15 ppm Bilge Alarm inlet to minimize time lags.

Diagrammatic arrangements of test facilities

  2.2.5 Calibration test

The 15 ppm Bilge Alarm will be calibrated and zeroed as per the manufacturer's instructions. It will then be tested with the three test fluids "A", "B" and "C", as specified in paragraph 1.2.4 of part 1 of the annex, at the following oil concentrations in parts per million: 0, 15, and at the full scale of the meter. Each concentration test will last for 15 min. Following each concentration test, the 15 ppm Alarm will be run on oil-free water for 15 min and the reading noted. If it proves necessary to re-zero or re-calibrate the 15 ppm Bilge Alarm during this test, this fact will be noted.

  2.2.6 Contaminant and colour test

The 15 ppm Bilge Alarm should undergo contaminant and colour tests as follows:

  • .1 the 15 ppm Bilge Alarm should be run on a mixture of clean water and 10 ppm Test Fluid "B" and reading noted;

  • .2 the water supply should be changed from 10 ppm Test Fluid "B" and clean water to 10 ppm Test Fluid "B" and water contaminated with iron oxide in a concentration of 10 ppm;

  • .3 any shift in the 15 ppm Bilge Alarm reading should be noted. The reading should be within the accuracy limits specified in paragraph 2.2.1;

  • .4 the procedure specified in .2 and .3 above should be repeated with iron oxide concentrations of 50 ppm and 100 ppm respectively;

  • .5 the 15 ppm Bilge Alarm should be run on a mixture of clean water and 10 ppm Test Fluid "B" and its reading noted;

  • .6 the water supply should be changed from clean water to very salt water (a solution of 6% common salt with clean water);

  • .7 any shift in the 15 ppm Bilge Alarm reading should be noted. The reading should be within the accuracy limits specified in paragraph 2.2.1; and

  • .8 sufficient water should be available in the mixing tank to ensure an effective test of not less than 15 min.

  2.2.7 Sample pressure or flow test

The 15 ppm Bilge Alarm should be run on a 15 ppm Test Fluid "B" sample. The water pressure or flow rate of the mixture should be adjusted from one half normal, normal and twice normal. Any effect of these changes on the 15 ppm Bilge Alarm ppm display reading should be noted and recorded on the Certificate. This test may require modification for 15 ppm Bilge Alarms with flow or pressure regulators or 15 ppm Bilge Alarms designed to discharge into an ambient pressure sump.

  2.2.8 Shut off tests

The 15 ppm Bilge Alarm should be run on a 15 ppm Test Fluid "B" sample. The water and Test Fluid injection pumps should be shut off. The 15 ppm Bilge Alarm will be left turned on with no other changes made. After 8 hours, the water and Test Fluid injection pump should be turned on and set to provide the mixture of 15 ppm. The 15 ppm Bilge Alarm ppm display readings before and after each test and any damage to the 15 ppm Alarm should be noted and recorded on the Certificate.

  2.2.9 Utilities supply variation test

If the 15 ppm Bilge Alarm requires any utilities besides electricity, it should be tested with these utilities at 110% and 90% of the design figures.

  2.2.10 Calibration and zero drift test

The 15 ppm Bilge Alarm should be calibrated and zeroed. A 15 ppm Test Fluid "B" sample will run through the 15 ppm Bilge Alarm for eight hours and any calibration drift noted. Following this, the 15 ppm Bilge Alarm should run on oil-free water and any zero drift noted and recorded on the Certificate. During this test grab samples should be taken 0, 2, 4, 6, and 8 hours into the test schedule to verify any calibration drift.

  2.2.11 Response time test

The response time is to be taken for the 15 ppm Bilge Alarm to give an alarm at 15 ppm oil concentration after the supply to the 15 ppm Bilge Alarm is changed from clean water to oily water having a concentration of more than 15 ppm oil.

  2.2.12 A specification of the instrument concerned and a diagrammatic presentation of the test arrangements should be provided and the following data should be reported.

  • .1 types and properties of Test Fluids used in the tests (refer to part 1, paragraphs 1.2.4 and 1.2.16 of this annex);

  • .2 details of contaminants used, in the form, for example, of a supplier's certificate or laboratory test protocol; and

  • .3 results of tests and analysis of grab samples.


Copyright 2022 Clasifications Register Group Limited, International Maritime Organization, International Labour Organization or Maritime and Coastguard Agency. All rights reserved. Clasifications Register Group Limited, its affiliates and subsidiaries and their respective officers, employees or agents are, individually and collectively, referred to in this clause as 'Clasifications Register'. Clasifications Register assumes no responsibility and shall not be liable to any person for any loss, damage or expense caused by reliance on the information or advice in this document or howsoever provided, unless that person has signed a contract with the relevant Clasifications Register entity for the provision of this information or advice and in that case any responsibility or liability is exclusively on the terms and conditions set out in that contract.