Appendix 2 - Child Reference Test Device (RTD) Design and Construction
Clasification Society 2024 - Version 9.40
Statutory Documents - IMO Publications and Documents - Resolutions - Maritime Safety Committee - Resolution MSC.81(70) - Revised Recommendation on Testing of Life-Saving Appliances - (adopted on 11 December 1998) - Annex - Revised Recommendation on Testing of Life-Saving Appliances - Appendix 2 - Child Reference Test Device (RTD) Design and Construction

Appendix 2 - Child Reference Test Device (RTD) Design and Construction

  1 General. The RTD is intended for use only as a test reference standard to represent the desired level of in-water performance of a lifejacket required by the 1974 SOLAS Convention, and is not considered representative of any other required lifejacket performance. The child RTD is for persons weighing approximately 15 to 43 kg, or 100 to 155 cm in height. The device is designed to fit persons with chest sizes from 50 cm to 70 cm. This RTD is made with layers of buoyant foam in a bib-style design using a heavy nylon shell cover fabric secured to the body with a waist belt with quick and positive closure and adjustment, along with a chest strap at the neck for closure and adjustment. The shell is made with slide fasteners (zippers) in place of closing seams to hold the foam within, in order that the foam inserts can be easily removed to check their buoyancy and renew or supplement them if they are out of tolerance. The RTD is designed to be reasonably comfortable to wear as a non-reversible device.

  2 Materials. All materials used should comply with ISO 12402-7:2006.

  • 2.1 Foam requirements. The performance of the RTD is dependent on using plastic foam of the proper stiffness, shape and buoyancy.

    • 2.1.1 Stiffness. The buoyant inserts are made of layers of medium stiffness foam to create a flexible but firm buoyancy element.

    • 2.1.2 Shape. The shape of each foam layer is identified in figures B.2 and B.3. Dimensions are in tables B.1, B.2 and B.3.

    • 2.1.3 Buoyancy. The total design buoyancy of the device is 88 N. Table B.4 specifies foam characteristics, the buoyancy for each insert and its tolerances, and the overall buoyancy distribution to be verified when using the RTD for certification testing.

  • 2.2 Other component requirements. See table B.1.

  3 Construction. The construction and assembly of the device should be in accordance with tables B.1 and B.5 and figures B.1 through B.9. A tolerance of ± 6 mm is used throughout for fabric cutting and stitching assembly. A tolerance of ± 6 mm is also used for foam cutting, however, the buoyancy requirements of table A.3 should be met.

  • 3.1 Seams. Seam allowances are 13 mm, unless otherwise specified. All structural seams use a lock type stitch so that the seam will not unravel when a force is applied in the direction of the seam on any of the threads forming the stitch. Stitching should have a density of 7 to 12 stitches per 25 mm of stitch length. Box-x stitching on the webbing is 30 × 15 mm for the waist belt and 15 × 13 mm for the belt loop and chest strap, unless otherwise specified. The bar-tack stitching on webbing is 30 × 2 mm for the waist belt and 15 × 2 mm for the belt loop and chest strap.

    • 3.1.1 The fabric reinforcements for the waist belt, belt loop and chest strap should be attached to the inside surface of the outside cover before attaching any of these items. On the closing seam of the top and bottom sections of the outside and inside cover, the cut ends of the fabric is turned under and stitched when installing the zippers so that the fabric will not ravel and so that the folds are flush with the line where the zipper teeth mesh (zippers installed to be hidden by cover fabric when closed).

Table B.1 Parts, quantity and assembly

Component Description Quantity See figure Construction notes
1 Cover fabric 420 denier nylon, with ravel resistant coating, orange   B.1, B.4, and B.9  
1.1 Outside cover   1 B.1, B.4, and B.9  
1.2 Inside cover   1 B.1, B.4, and B.9  
1.3 Fabric reinforcement, chest strap   2 B.5 and B.9 Attach one each to inside left and right outside covers for the chest strap. Use lock stitches on three sides each (see figure B.9 for locations).
1.4 Fabric reinforcement, belt, and belt loop   2 B.5 and B.9 Attach to inside left and right outside covers for the waist belt and belt loop. Use lock stitches on three sides (see figure B.9 for location).
2 Foam 7 mm thickness, polyethylene (PE) foam, except for one layer as needed to achieve required buoyancy   B.2 and B.3 Layers stacked per figures B.2 and B.3.
2.1 Front foam insert, left   13 layers B.2 Trim corner of layers A and B only per figure B.2.
2.2 Front foam insert, right   13 layers B.2 Trim corner of layers A and B only per figure B.2.
2.3 Back foam insert   11 layers B.3  
3 Webbing       All cut ends heat-sealed.
3.1 Waist belt webbing 38 mm, black, polypropylene, with easy adjustment and no significant slippage when used with the specified hardware. 1,285 mm cut length B.1, B.8 and B.9 On left side attach waist belt with fixed part of buckle. Tab on the end of belt formed by turning under 40 mm of material twice and stitching 19 mm from the end of the fold with a bar-tack stitch. For location see figure B.9.
3.2 Belt loop webbing 19 mm, black, polypropylene. 80 mm cut length B.1 and B.9 Attach webbing to front outside cover with two sets of double bar tack stitches to form a belt loop. For location see figure B.9.
3.3 Chest strap webbing 19 mm, black, polypropylene. 235 mm and 80 mm cut length B.1, B.7 and B.9 Attach webbing with female buckle to right outside cover. Attach webbing with male buckle to left outside cover. For location see figure B.9. Tab formed 75 mm from the free end of the male section of chest strap by folding in "Z" pattern 30 mm apart and stitching 15 mm from the fold with a bar-tack stitch. See figure B.7.
4 Thread Generic synthetic AR    
5 Hardware        
5.1 Buckle 38 mm, plastic (male and female sections) 1 B.1 and B.8 Used in waist belt assembly
5.2 Buckle 19 mm, plastic (male and female sections) 1 B.1 and B.7 Used in chest strap assembly
5.3 Zipper 380 mm, plastic (zipper chain length) 1 B.1 and B.9  
5.4 Zipper 150 mm, plastic separating (zipper chain and box/pin length) 2 B.1 and B.9  

Table B.2 List of dimensions shown in figure B.2

Dimension Insert layer dimensions (mm)
A B C D E
a 145 140 125 115 95
b 305 300 285 275 255
c 30 30 0 0 0
d 30 30 0 0 0

Table B.3 List of dimensions shown in figure B.3

Dimension Insert layer dimensions (mm)
A B C D E
a 343 335 325 315 305
b 140 133 120 108 95
c 9 5 3 0 -5*
R 46 50 52 55 55
* measured in direction opposite to that shown in figure.

Table B.4 Foam insert specifications

  Left front insert Right front insert Back insert
Density 29 ± 5 kg/m3 29 ± 5 kg/m3 29 ± 5 kg/m3
Compressive strength at 25% (ISO 3386-1) 35 ± 10 kPa 35 ± 10 kPa 35 ± 10 kPa
Buoyancya, b 31.5 ± 1.2 N 31.5 ± 1.2 N 25 ± 1.2 N
a The buoyancy of most foams will change over time with the greatest change occurring in the first several months after manufacture. The exact kind of foam selected with need to be evaluated to determine the amount of additional buoyancy needed at the time of manufacture to achieve the values specified.
b Buoyancy distribution: 71.5% front ± 1.5 percentage points

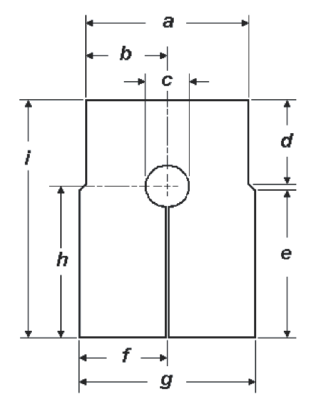
Table B.5 List of dimensions shown in figures B.4 - B.9

Dimension Dimensions (mm)
Figure B.4 Figure B.5 Key-2 Figure B.6 Figure B.7 Figure B.8
Key-1 Figure B.9
a 420 75 80 75 90 1,150* 45
b 210 105 110   40   135
c 92           85
d 210           45
e 356           25
f 230           33
g 460           115
h 375           25
i 580           265
* With webbing assembly fully extended.

Figure B.1 General arrangement, right side out (outside and inside)

Figure B.2 Front foam inserts (right and left sides)

figure B.3 Back foam insert

Figure B.4 Cover cut pattern (outside and inside covers)

Figure B.5 Fabric reinforcements

Figure B.6 Belt loop

Figure B.7 Chest strap assembly (adjustable part left and fixed part right)

Figure B.8 Waist belt assembly

Figure B.9 Initial assembly (shown right side out, except as noted)


Copyright 2022 Clasifications Register Group Limited, International Maritime Organization, International Labour Organization or Maritime and Coastguard Agency. All rights reserved. Clasifications Register Group Limited, its affiliates and subsidiaries and their respective officers, employees or agents are, individually and collectively, referred to in this clause as 'Clasifications Register'. Clasifications Register assumes no responsibility and shall not be liable to any person for any loss, damage or expense caused by reliance on the information or advice in this document or howsoever provided, unless that person has signed a contract with the relevant Clasifications Register entity for the provision of this information or advice and in that case any responsibility or liability is exclusively on the terms and conditions set out in that contract.