Annex 1 - Rate of Turn
Clasification Society 2024 - Version 9.40
Statutory Documents - IMO Publications and Documents - Circulars - Safety of Navigation - Circular SN/Circ.227- Guidelines for the Installation of a Shipborne Automatic Identification System (AIS) – (6 January 2003)Amended by SN/Circ.245 - Annex - Guidelines for the Installation of a Shipborne Automatic Identification System (AIS) - Annex 1 - Rate of Turn

Annex 1 - Rate of Turn

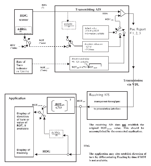
 The AIS provides the Rate of Turn (ROT) information to other ships in order to early detect ships manoeuvres. There are two possible parameters indicating turning of a ship derived from two different sensors (see Figure 3: ROT sensor input):

  • the heading from a GYRO or THD and
  • the rotation rate itself from a Rate of Turn-indicator.

If a Rate of Turn Indicator according to resolution A.526(13) is connected, the AIS should use this information to broadcast both direction and value of turn on the VDL.

If valid ROT or HDG data is available from other external sources (Gyro, INS,...), the AIS should use this information to broadcast the direction of turn on the VDL, if greater than 5° in 30 s (might also be implemented as 2.5° in 15 s by configuration); the AIS may also derive ROT information from HDG internally for that purpose.

If no ROT information is available, the AIS should transmit default values indicating "not available". ROT data should not be derived from COG information.

If a ship is not required to carry Turn-Indicator or if external sensor fails, the AIS should react according to following priorities:

Table A ROT sensor fallback conditions

Priority Affected data in msg 1, 2, 3 ⇒ contents of ROT field
Position Sensor status
1. Rate of Turn Indicator in usefootnote 0..+ 126 = turning right at up to 708° per minute or higher;
0..- 126 = turning left at up to 708° per minute or higher
Values between 0 and 708°/min should be coded by
where is the Rate of Turn as input by the external Rate of Turn Indicator (TI).
Values of 709° per minute and above should be limited to 708° per min.
2. other ROT source in use footnote + 127 = turning right at more than 5°/30s (No TI available)
0 no turn
- 127 = turning Left at more than 5°/30s (No TI available)
3. no valid ROT information available -128 (80 hex) indicates no turn information available (default)

Figure A


Copyright 2022 Clasifications Register Group Limited, International Maritime Organization, International Labour Organization or Maritime and Coastguard Agency. All rights reserved. Clasifications Register Group Limited, its affiliates and subsidiaries and their respective officers, employees or agents are, individually and collectively, referred to in this clause as 'Clasifications Register'. Clasifications Register assumes no responsibility and shall not be liable to any person for any loss, damage or expense caused by reliance on the information or advice in this document or howsoever provided, unless that person has signed a contract with the relevant Clasifications Register entity for the provision of this information or advice and in that case any responsibility or liability is exclusively on the terms and conditions set out in that contract.