Appendix
Clasification Society 2026 - Version 9.60
Statutory Documents - IMO Publications and Documents - Circulars - Maritime Safety Committee - MSC/Circular.669 – Interpretations of SOLAS Chapter II-2, As Amended by Resolution MSC.27(61) – (Adopted on 22 December 1994) - Annex - Interpretations of SOLAS Chapter II-2, As Amended by Resolution MSC.27(61) - Appendix

Appendix

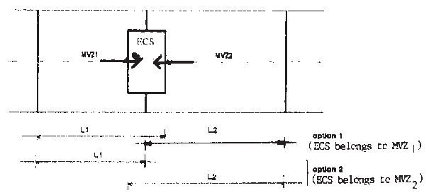
Figure 1 ECS serves one MVZ

Figure 2 ECS serves two MVZ

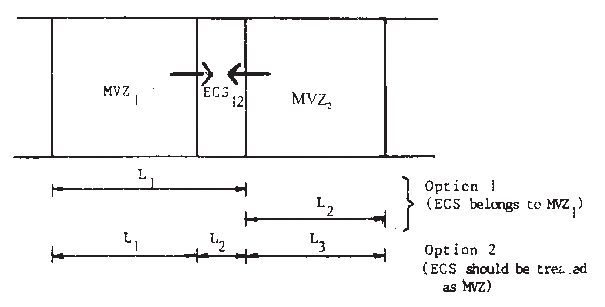
Figure 3 ECS serves two MVZ

Figure 4 ECS serves two MVZ

Figure 5 Means of Escape through a route protected as a category 2 space (horizontal stairway)


Copyright 2026 Clasifications Register Group Limited, International Maritime Organization, International Labour Organization or Maritime and Coastguard Agency. All rights reserved. Clasifications Register Group Limited, its affiliates and subsidiaries and their respective officers, employees or agents are, individually and collectively, referred to in this clause as 'Clasifications Register'. Clasifications Register assumes no responsibility and shall not be liable to any person for any loss, damage or expense caused by reliance on the information or advice in this document or howsoever provided, unless that person has signed a contract with the relevant Clasifications Register entity for the provision of this information or advice and in that case any responsibility or liability is exclusively on the terms and conditions set out in that contract.