5.21 Clogging test (see 4.22 ) [7.28]
Clasification Society 2024 - Version 9.40
Statutory Documents - IMO Publications and Documents - Resolutions - Assembly - IMO Resolution A.800(19) – Revised Guidelines for Approval of Sprinkler Systems Equivalent to that Referred to in SOLAS Regulation II-2/12 – (Adopted on 23 November 1995) - Appendix 1 - Component Manufacturing Standards for Water Mist Nozzles - 5 Methods Of Test [7] - 5.21 Clogging test (see 4.22) [7.28]

5.21 Clogging test (see 4.22 ) [7.28]

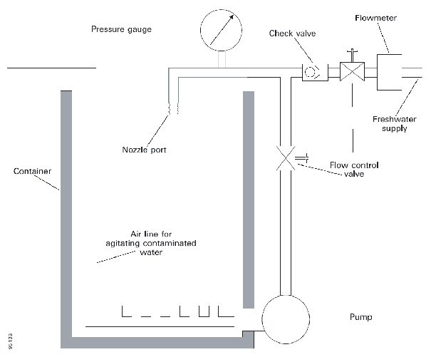
  5.21.1 The water flow rate of an open water mist nozzle with its strainer or filter should be measured at its rated working pressure. The nozzle and strainer or filter should then be installed in test apparatus described in Figure 3 and subjected to 30 min of continuous flow at rated working pressure using contaminated water which has been prepared in accordance with 5.21.3.

Figure 3 Clogging Test Apparatus

  5.21.2 Immediately following the 30 min of continuous flow with the contaminated water, the flow rate of the nozzle and strainer or filter should be measured at rated working pressure. No removal, cleaning or flushing of the nozzle, filter or strainer is permitted during the test.

  5.21.3 The water used during the 30 min of continuous flow at rated working pressure specified in 5.21.1 should consist of 60 l of tap water into which has been mixed 1.58 kg of contaminants which sieve as described in Table 5. The solution should be continuously agitated during the test.

Table 5 Contaminant for Contaminated Water Cycling Test

Table 6 — Contaminant for the contaminated water cycling test
SIEVE DESIGNATION NOMINAL SIEVE OPENING, MM GRAMS OF CONTAMINANT (+/- 5 PERCENT)
PIPE SCALE TOP SOIL SAND
No. 25 0.706 456 200
No. 50 0.297 82 82 327
No. 100 0.150 84 6 89
No. 200 0.074 81 21
No. 325 0.043 153 3
  Total 400 544 640

  5.21.4 Alternative supply arrangements to the apparatus shown in figure 3 may be used where damage to the pump is possible. Restrictions to piping defined by note 2 of table 5 should apply to such systems.


Copyright 2022 Clasifications Register Group Limited, International Maritime Organization, International Labour Organization or Maritime and Coastguard Agency. All rights reserved. Clasifications Register Group Limited, its affiliates and subsidiaries and their respective officers, employees or agents are, individually and collectively, referred to in this clause as 'Clasifications Register'. Clasifications Register assumes no responsibility and shall not be liable to any person for any loss, damage or expense caused by reliance on the information or advice in this document or howsoever provided, unless that person has signed a contract with the relevant Clasifications Register entity for the provision of this information or advice and in that case any responsibility or liability is exclusively on the terms and conditions set out in that contract.