3 Description of the system
Clasification Society 2024 - Version 9.40
Statutory Documents - IMO Publications and Documents - Circulars - Maritime Safety Committee - MSC/Circular.1166 – Guidelines for a Simplified Evacuation Analysis for High-Speed Passenger Craft – (27 June 2005) - Annex - Guidelines for a Simplified Evacuation Analysis for High-Speed Passenger Craft - Appendix - Example of Application - 3 Description of the system

3 Description of the system

  3.1 Identification of assembly stations

Assembly stations coincide with the public spaces where passengers are located (seated). Passengers are wearing life jackets.

  3.2 Identification of embarkation stations, MES and liferafts

  • .1 Embarkation stations (4, one for each MES) are located at the lower deck.

  • .2 Each MES consists of an inflatable slide with an attached platform.

  • .3 Liferafts (8), 135 persons capacity each, are stowed in racks on the lower deck, in the proximity of the MES. The aggregate capacity of liferafts is therefore 1,080 persons, or of 810 persons if one embarkation station is not available in accordance with the 2000 HSC Code.

  • .4 Two rescue boats are available for marshalling the liferafts.

  3.3 Description of the evacuation procedure

  • .1 When the order to abandon the craft is given, crew members start operating the MES (total 6 crew members), the rescue boats (1 crew member per boat) and to direct the passengers (as shown in figure 1: two crew members on the upper deck and 6 crew members on the lower deck); and all these activities progress in parallel.

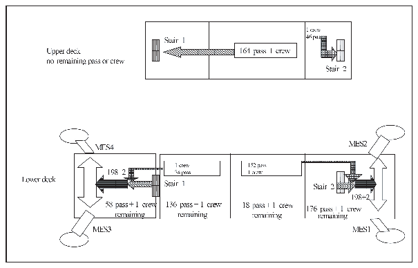
  • .2 PHASE 1: For each MES, the slide is inflated and the first liferaft launched, inflated and connected to the slide's platform. In the mean time the first 4 groups of passengers are formed and directed to the 4 MES, each group is assisted by 1 crew member, for a total of 400 persons, as follows (see figure 2):

    • .2.1 164 passengers, marshalled by 1 crew member, move from upper deck through stair 1 down to the lower deck and join with 34 passengers and 1 crew member coming from lounge 2. They then move along the central aisle of lounge 1 (corridor 2); at the end of corridor 2 two groups are formed, each composed by 99 passengers and 1 crew member, and move to MES 3 and 4 through doors 2A and 2B respectively;

    • .2.2 46 passengers marshalled by 1 crew member move from upper deck, through stair 2, down to lower deck, where they merge with 152 passengers and 1 crew member; two groups are then formed, each composed by 99 passengers and 1 crew member, and move to MES 1 and 2 respectively;

    • .2.3 in the meantime the remaining passengers stay in lounges 1 to 4 assisted by 4 crew members.

  • .3 PHASE 2: Once the first liferaft is ready for boarding, the first group for each MES descends to the liferaft using the slide and platform. When boarding is completed, the liferaft is detached from the slide and floated away by the rescue boat. In the mean time, the second liferaft is launched, inflated and connected to the platform and the second 4 groups of persons move to the embarkation stations.

  • .4 PHASE 3: Once the second liferaft is ready for boarding, the second group for each MES descents to the liferaft through the slide and platform. Finally, the 6 crew members operating the MES board. When boarding is completed, the liferaft is detached from the slide. The evacuation is now completed.

  3.4 Identification of groups and their escape routes

In total 8 groups, each composed of 100 persons, are considered. Their (primary) escape routes are shown in figure 2 for the first 4 groups and in figure 3 for the second 4 groups.

Figure 2 First 4 groups of persons

Figure 3 Second 4 groups of persons


Copyright 2022 Clasifications Register Group Limited, International Maritime Organization, International Labour Organization or Maritime and Coastguard Agency. All rights reserved. Clasifications Register Group Limited, its affiliates and subsidiaries and their respective officers, employees or agents are, individually and collectively, referred to in this clause as 'Clasifications Register'. Clasifications Register assumes no responsibility and shall not be liable to any person for any loss, damage or expense caused by reliance on the information or advice in this document or howsoever provided, unless that person has signed a contract with the relevant Clasifications Register entity for the provision of this information or advice and in that case any responsibility or liability is exclusively on the terms and conditions set out in that contract.