4 Method of Test
4.1 Principle
This test procedure enables the determination of the effectiveness
of different water-based extinguishing systems against spray fires,
cascade fires, pool fires, and Class A fires which are obstructed
by an engine mock-up.
4.2 Apparatus
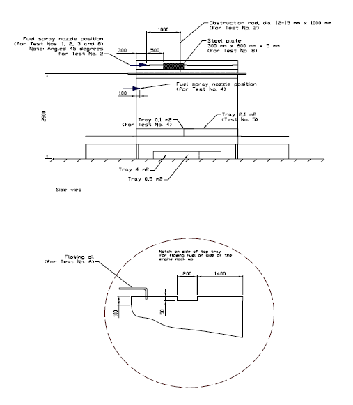
4.2.1 Engine mock-up
The fire test should be performed in a test apparatus consisting
of:
-
.1 an engine mock-up of the size (width ×
length × height) of 1 m × 3 m × 3 m constructed of sheet steel with a
nominal thickness of 5 mm. The mock-up is fitted with two steel tubes of 0.3
m in diameter and 3 m in length that simulate exhaust manifolds and a
grating. At the top of the mock-up, a 3 m2 tray is arranged (see
figure 1); and
-
.2 a floor plate system of the size (width ×
length × height) of 4 m × 6 m × 0.5 m, surrounding the mock-up. Provision
shall be made for placement of the fuel trays, described in table 1, and located as described infigure 1 .
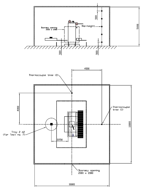
4.2.2 Fire test compartment
The tests should be performed in a room having a specified area
greater than 100 m2, a specified height of at least 5 m and ventilation
through a door opening of 2 m × 2 m in size. Fires and engine mock-up should be
according totables 1,2, 3 and figure 2. The test hall should have an ambient temperature
of between 10°C and 30°C at the start of each test.
Figure 1
4.3 Test scenario
4.3.1 Fire-extinguishing tests
|
Test No.
|
Fire Scenario
|
Test Fuel
|
| 1
|
Low pressure horizontal spray on
top of simulated engine between agent nozzles.
|
Commercial fuel oil or light
diesel oil
|
| 2
|
Low pressure spray in top of
simulated engine centred with nozzle angled upward at a 45° angle to
strike a 12-15 mm diameter rod 1 m away.
|
Commercial fuel oil or light
diesel oil
|
| 3
|
High pressure horizontal spray on
top of the simulated engine.
|
Commercial fuel oil or light
diesel oil
|
| 4
|
Low pressure concealed horizontal
spray fire on the side of simulated engine with oil spray nozzle
positioned 0.1 m in from the end of the engine and 0.1 m2 tray
positioned on top of the bilge plate 1.4 m in from the engine end at the
edge of the bilge plate closest to the engine.
|
Commercial fuel oil or light
diesel oil
|
| 5
|
Concealed 0.7 m × 3.0 m fire tray
on top of bilge plate centred under exhaust plate.
|
Heptane
|
| 6
|
Flowing fire 0.25 kg/s from top of
mock-up (see figure 3).
|
Heptane
|
| 7
|
Class A fires wood crib (see Note)
in 2 m2 pool fire with 30 s preburn. The test tray should be
positioned 0.75 m above the floor as shown in figure 1.
|
Heptane
|
| 8
|
A steel plate (30 cm × 60 cm × 5
cm) offset 20° to the spray is heated to 350°C by the top low pressure
spray nozzle positioned horizontally 0.5 m from the front edge of the
plate. When the plate reaches 350°C, the system is activated. Following
system shutoff, no reignition of spray is permitted.
|
Heptane
|
Note
1 The wood crib is to weigh 5.4 to 5.9
kg and is to be dimensioned approximately 305 mm × 305 mm × 305 mm.
The crib is to consist of eight alternate layers of four trade size
38.1 mm × 38.1 mm kiln-dried spruce or fir lumber 305 mm long. The
alternate layers of the lumber are to be placed at right angles to
the adjacent layers. The individual wood members in each layer are
to be evenly spaced along the length of the previous layer of wood
members and stapled. After the wood crib is assembled, it is to be
conditioned at a temperature of 49 ± 5°C for not less than 16 h.
Following the conditioning, the moisture content of the crib is to
be measured with a probe type moisture meter. The moisture content
of the crib should not exceed 5% prior to the fire test.
|
Table 2 Test Programme for
Bilge Nozzles
|
Test No.
|
Fire Scenario
|
Test Fuel
|
| 1
|
0.5 m2 central under
mock-up
|
Heptane
|
| 2
|
0.5 m2 central under
mock-up
|
SAE 10W30 mineral based lubrication
oil
|
| 3
|
4 m2 tray under mock-up
|
Commercial fuel oil or light
diesel oil
|
Figure 3
Table 3 Spray fire test
parameters
|
Fire type
|
Low pressure
|
High pressure
|
| Spray nozzle
|
Wide spray angle (120° to 125°)
full cone type
|
Standard angle (at 6 bar) full cone
type
|
| Nominal
fuel pressure
|
8
bar
|
150
bar
|
| Fuel
flow
|
0.16 ±
0.01 kg/s
|
0.050 ±
0.002 kg/s
|
| Fuel
temperature
|
20 ±
5°C
|
20 ±
5°C
|
| Nominal heat release rate
|
5.8 ± 0.6 MW
|
1.8 ± 0.2 MW
|
4.3.2 Thermal management tests
4.3.2.1 Instrumentation
4.3.2.1.1 Thermocouples should be installed in two
trees. One tree should be located 4 m from the centre of the mock-up, on the
opposite side of the 2 m2 tray for class A fire test as shown
infigure 2. The other tree should be located 4 m from the
centre of the mock-up, on the opposite side of the door opening.
4.3.2.1.2 Each tree should consist of five thermocouples
of diameter not exceeding 0.5 mm, positioned at the following heights:
(1) 500 mm below the ceiling; (2) 500 mm above floor level; (3) at
mid-height of the test compartment; (4) between the uppermost thermocouple
and the thermocouple at mid-height and (5) between the lowest thermocouple
and the thermocouple at mid-height.
4.3.2.1.3 Measures should be provided to avoid
direct water spray impingement of the thermocouples.
4.3.2.1.4 The temperatures should be measured
continuously, at least once every two seconds, throughout the test.
4.3.2.2 Fire size and position
4.3.2.2.1 For the determination of the thermal
management, an obstructed n-Heptane pool fire scenario should be used. The
nominal fire sizes should be correlated to the test compartment volume
according to table 4. The test tray should be positioned in
accordance with test No.7 as shown in table 1 andfigure 2 with the top of the rim 0.85 m below the
plate.
Table 4 Correlation
between nominal pool fire sizes and test compartment volume
|
Test compartment volume
|
Pool fire scenario
|
| 500 m3
|
1 MW
|
| 1000 m3
|
2 MW
|
| 1500 m3
|
3 MW
|
| 2000 m3
|
4 MW
|
| 2500 m3
|
5 MW
|
| 3000 m3
|
6 MW
|
Note Interpolation of the data in the table is
allowed.
|
4.3.2.2.2 Except for the flowing fire, the rim
height of the trays should be 150 mm and the tray should be filled
with 50 mm of fuel. Additional water should be added to provide a
freeboard of 50 mm. For the flowing fire, the 4 m2 fire
tray below the engine mock-up should be filled with a 50 mm water
base and the 3 m2 fire tray on top of the engine mock-up
should be filled with a 40 mm water base. Table 5 provides examples
of pool tray diameters and the corresponding area, for a selection
of nominal heat release rates.
Table 5 Pool tray
diameters and the corresponding area, for a selection of nominal heat
release rates
Nominal HRR
|
Diameter (cm)
|
Area (m2)
|
Size of obstruction steel plate (m × m)
|
| 0.5 MW
|
62
|
0.30
|
2.0 × 2.0
|
| 1 MW
|
83
|
0.54
|
2.0 × 2.0
|
| 2 MW
|
112
|
0.99
|
2.0 × 2.0
|
| 3 MW
|
136
|
1.45
|
2.25 × 2.25
|
| 4 MW
|
156
|
1.90
|
2.25 × 2.25
|
| 5 MW
|
173
|
2.36
|
2.5 × 2.5
|
| 6 MW
|
189
|
2.81
|
2.5 × 2.5
|
Note Interpolation or extrapolation of the data is
allowed according to the following equation:
where:
|
Q |
= |
the desired nominal heat release rate
(MW) |
|
A |
= |
the area of the fire tray (m2) |
|
4.3.2.2.3 A square horizontal obstruction steel
plate should shield the pool fire tray from direct water spray impingement.
The size of the obstruction steel plate is dictated by the size of
the fire tray, as indicated in table
5. The vertical distance measured from the floor to the underside
of the obstruction steel plate should be 1.0 m.
4.3.2.2.4 The thickness of the steel plate should
be a nominal 4 mm. The vertical distance measured from the rim of
the trays to the underneath of the horizontal obstruction steel plate
should be 0.85 m.
4.4 Extinguishing system
4.4.1 During fire test conditions the extinguishing
system should be installed according to the manufacturer's design
and installation instructions in a uniformly spaced overhead nozzle
grid. The lowest level of nozzles should be located at least 5 m above
the floor. For actual installations, if the water-mist system includes
bilge area protection, water-mist nozzles must be installed throughout
the bilges in accordance with the manufacturer's recommended dimensioning,
as developed from bilge system testing using the tests in table 2, conducted with the bilge
plate located at the maximum height for which approval is sought.
Tests should be performed with nozzles located in the highest and
lowest recommended position above the bilge fires. Bilge systems using
the nozzle spacing tested may be approved for fire protection of bilge
areas of any size.
4.4.2 The system fire tests should be conducted
at the minimum system operating pressure, or at the conditions providing
the minimum water application rate.
4.4.3 During the laboratory fire tests the bilge
system nozzles may not be located beneath the engine mock-up, but
should be located beneath the simulated bilge plates at least one-half
the nozzle spacing away from the engine mock-up.
4.5 Procedure
4.5.1 Ignition
Except for the flowing fire, the trays used in the test
should be filled with at least 50 mm fuel on a water base. Freeboard
should be 150 ± 10 mm. For the flowing fire, the fuel should
be ignited when flowing down the side of the mock-up, approximately
1 m below the notch. The pre-burn time should be measured from the
ignition of the fuel.
4.5.2 Flow and pressure measurements (Fuel system)
The fuel flow and pressure in the fuel system should be
measured before each test. The fuel pressure should be measured during
the test.
4.5.3 Flow and pressure measurements (Extinguishing
system)
Agent flow and pressure in the extinguishing system should
be measured continuously on the high pressure side of a pump or equivalent
equipment at intervals not exceeding 5 s during the test, alternatively,
the flow can be determined by the pressure and the K factor
of the nozzles.
4.5.4 Duration of test
4.5.4.1 After ignition of all fuel sources, a
2-min preburn time is required before the extinguishing agent is discharged
for the fuel tray fires and thermal management tests and 5-15 s for
the fuel spray and heptane fires and 30 s for the Class A fire test
(Test No.7).
4.5.4.2 The fire should be allowed to burn until
the fire is extinguished or for a period of 15 minutes, whichever
is less, measured from the ignition. The fuel spray, if used, should
be shut off 15 s after the end of agent discharge.
4.5.5 Observations before and during the test
4.5.5.1 Before the test, the test room, fuel and
mock-up temperature is to be measured.
4.5.5.2 During the test the following items should
be recorded:
-
.1 the start of the ignition procedure;
-
.2 the start of the test (ignition);
-
.3 the time when the extinguishing system is activated;
-
.4 the time when the fire is extinguished, if
it is;
-
.5 the time when the extinguishing system is shut
off;
-
.6 the time of re-ignition, if any;
-
.7 the time when the oil flow for the spray fire
is shut off;
-
.8 the time when the test is finished; and
-
.9 data from all test instrumentation.
4.5.6 Observations after the test
.1 damage to any system components;
.2 the level of fuel in the tray(s) to make sure
that the fuel was not totally consumed; and
.3 test room, fuel and mock-up temperature.
|
| Copyright 2022 Clasifications Register Group Limited, International Maritime Organization, International Labour Organization or Maritime
and Coastguard Agency. All rights reserved. Clasifications Register Group Limited, its affiliates and subsidiaries and their respective
officers, employees or agents are, individually and collectively, referred to in this clause as 'Clasifications Register'. Clasifications
Register assumes no responsibility and shall not be liable to any person for any loss, damage or expense caused by reliance
on the information or advice in this document or howsoever provided, unless that person has signed a contract with the relevant
Clasifications Register entity for the provision of this information or advice and in that case any responsibility or liability is
exclusively on the terms and conditions set out in that contract.
|
 |
|