1 Purpose of this method concerning brief sampling and
analysis of anti-fouling systems
1.1 This method has been developed in order to describe a rapid methodology appropriate
for the identification of anti-fouling systems on ship hulls containing organotin
compounds and/or cybutryne acting as biocide. This method has been designed such that
sealers should not be affected, and any underlying anti-fouling agent (or primer) is not
taken up in the sampling procedure. The method is not recommended for silicon-based
anti-fouling systems.
1.2 The method for organotin compounds (Case A under paragraph 4.6 of the Guidelines) is
based on a two-step analysis. The first step detects total tin as an indicator for
organotin; the second step, detecting specific organotin compounds, is only necessary in
the case of the first step proving positive.
1.3 The method for cybutryne (Case B under paragraph 4.6 of the Guidelines) is based on
a one-step analysis.
1.4 The simplified approach (Case C under paragraph 4.6 of the Guidelines) to detect
organotin compounds and cybutryne is based on a one-step analysis.
2 Sampling device and materials
2.1 The sampling device is constructed in a way that only the upper layer of paint is
removed, thereby it should leave any underlying paint (sealer, primer, etc.) intact.
This result is achieved through the use of a moving disk (eccentric rotation), which is
covered by an abrasive material like quartz or glass fibre fabric. This abrasive
material has to be suitable for its use as a supporting material for the removed
paint.
2.2 The device fulfils the following requirements:
-
.1 the device has to work independently from any
stationary power supply. The device may be driven by an electrical motor
(battery-driven) or may be mechanically driven by a clockwork-like spring,
provided it is able to sustain the movement over the required time period;
-
.2 the applied force has to be constant during the
operation, and the area for paint removal has to be defined;
-
.3 the abrasive material has to be inert against
chemical solvents and acids and must not contain more than trace amounts of tin or
tin compounds and/or cybutryne; and
-
.4 the amount of paint removed after a regular
operation of the device has to be shown to exceed 20 mg per sample.
2.3 The device as described in the following section has been shown to be suitable for
the brief sampling procedure. Any other device may be used however, provided such a
device has proven to meet all the above-mentioned requirements.
2.4 The sampling device described here consists of a polyethylene disk, on which fibre
glass fabric can be mounted by the use of an O-ring. The disk is moved on an
eccentrically rotating axis.
3
Sampling procedure
3.1 The sampling procedure should be performed in the following manner:
-
.1 control samples should be taken through the entire sampling and
analytical process to account for possible contamination;
-
.2 the mass of the fibreglass pads is weighed with a precision of at
least 1 mg. The weight should be documented for each sample;
-
.3 the fabric should be moistened thoroughly with isopropanol (0.7 mL
per sample) immediately before sampling;
-
.4 when a sample point on the hull has been selected, any fouling
present should be removed with water and a soft sponge/cloth before taking a
specimen of the anti-fouling system (to avoid contamination of the sample). Where
possible, if carried out in dry dock, sampling should be carried out after the
hull has been water-washed;
-
.5 the sampling device is then held against the surface to be sampled
for a period of five seconds, prior to the sampling device being switched on;
-
.6 the sampling device is switched on, thereby removing paint by the
circular motion of the fibre glass fabric against the surface of the ship;
-
.7 the sampling device should be applied to the surface of the hull
for a suitable period of time, such that at least 20 mg of paint is taken up by
the pad. As a general rule, if the pad colour after sampling matches the colour of
the hull coating a sufficient sample has been taken;
-
.8 the specimens should be taken as close to each other as possible, but without
overlap;
-
.9 upon completion of the sampling, the fibreglass fabric pads should be left to
dry and re-weighed;
-
.10 the number of samples will differ depending on the substances targeted as
listed in Annex 1 of the AFS Convention.
-
Case A. Analysis of organotin only, every sample should be taken in
triplicate.
-
Specimen 'A' – for Step 1
Specimen 'B' – for Step 2
Specimen 'X' – for storage/back-up
-
Case B. Analysis of cybutryne only, every sample should be taken in duplicate.
-
-
Case C. Simplified approach to detect organotin and cybutryne, every sample should
be taken in duplicate.
3.2 Samples should be stored in appropriate sealed packaging which will not
react with or contaminate the sample.

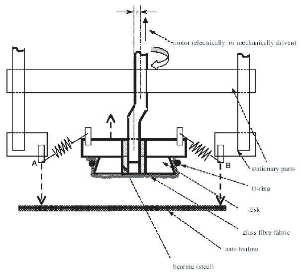
Diagram A: Schematic cross section of the sampling device
The indicated points A and B are to be pressed against the surface. The polyethylene
disk, covered with the glass fibre fabric, is moved with an amplitude of 2 r (r = 1.0
cm) on the surface.
|
|
Specific data:
|
|
|
|
|
Force
applied on the paint surface:
|
|
25 N
(Newton)
|
|
|
Effective diameter of the
disk:
|
|
5 cm
|
|
|
Frequency of rotation:
|
|
6
rotations/s
|
|
|
Solvent
used:
|
|
isopropanol (0.8 mL per sample).
|
4
Sampling strategy
4.1 Sampling should be conducted in accordance with paragraph 4 of the Guidelines.
4.2 For inspection purposes in most cases accessibility to all parts of the hull will
not be given. A minimum number of eight independent samples should be taken from
different accessible parts of the hull.
5
Analytical procedure
5.1 The analytical procedure will differ depending on the substances targeted as listed
in Annex 1
of the AFS Convention.
Case A. Analysis of organotin only
5.2 The two components comprising the analytical procedure are illustrated in the flow
diagram B. The two components, or steps, are as follows:
-
.1 (Step 1) - An analysis of Specimen 'A' for the
presence of total tin; and
-
.2 (Step 2) - A more cost- and time-consuming
analysis of Specimen 'B', that is applied only when Step 1 produces positive
results. This test involves organotin analysis by gas chromatography/mass
spectrophotometry (GC/MS) after derivatization and provides specific data on the
respective organotin species.
Step 1: Investigation of total tin content in Specimen 'A'
Analysis of Specimen 'A'
5.3 Specimen 'A' is analysed for mass of total tin per kilogram of dry paint (or mass of
tin per sample) by applying inductively coupled plasma/mass spectrometry (ICP/MS), once
the material had been solubilized by digestion using aqua regia. It should be noted that
any other scientifically recognized procedure for tin analysis (such as AAS, XRF and
ICP-OES) is acceptable.
Step 2: Characterization of organotin in Specimen 'B'
Analysis of Specimen 'B'
5.4 Should Specimen 'A' produce positive results, organotin compounds should be
identified and quantified in Specimen 'B'. Specimen 'B' may be analysed using the
following procedure:
-
.1 solvent extraction of Specimen 'B' as supported by sonication in an ultrasonic
bath;
-
.2 derivatization with ethylmagnesium bromide;
-
.3 clean-up of the extract;
-
.4 analysis using high resolution gas chromatography/mass spectrophotometry
(GC/MS); and
-
.5 quantifications using tripropyltin as a standard.
5.5 Any equally reliable method for the chemical identification and quantification of
organotin compounds is acceptable.
Case B. Analysis of cybutryne only
5.6 A one-step analysis of 'Specimen C' for determining the amount of cybutryne, using
gas chromatography/mass spectrophotometry (GC/MS).
One-step analysis: Characterization of cybutryne in Specimen 'C'
Analysis of Specimen 'C'
5.7 Specimen 'C' should be analysed using the following procedure:
-
.1 sample extraction using ethyl acetate with added internal standard (ametryn)
using an ultrasonic bath for 15 minutes;
-
.2 ventrifugation of the samples at 600 rcf for 5 minutes;
-
.3 analysis of the supernatant using high resolution capillary GC/MS, with the MS
operating in SIM mode;
-
.4 quantification using reference cybutryne solutions and an internal standard
normalization procedure; and
-
.5 modified GC/MS methods resulting in an expanded measurement uncertainty (k=2;
95% confidence) of 25% are acceptable.
5.8 Other methods for the chemical identification and quantification of cybutryne, if
proven equally reliable, could be accepted by the Administration or the port State.
Case C. simplified approach to detect organotin and cybutryne
5.9 A one-step analysis of Specimen 'C' for determining the amount of organotin and
cybutryne using gas chromatography/mass spectrophotometry (GC/MS).
One-step analysis: Characterization of organotin and cybutryne in
Specimen 'C'
-
.1 sample extraction using toluene with added internal standard (ametryn) using an
ultrasonic bath for 15 minutes;
-
.2 derivatization with ethylmagnesium bromide;
-
.3 clean-up of the extract;
-
.4 centrifugation of the samples at 600 rcf for 5 minutes;
-
.5 analysis of the supernatant using high resolution capillary GC/MS, with the MS
operating in SIM mode;
-
.6 cybutryne quantification using reference cybutryne solutions and an internal
standard normalization procedure. Organotin quantification using tripropyltin as
the internal standard; and
-
.7 modified GC/MS methods resulting in an expanded measurement uncertainty (k=2;
95% confidence) of 25% are acceptable.
5.10 Other methods for the chemical identification and quantification of organotin and
cybutryne, if proven equally reliable, could be accepted by the Administration or the
port State.
6
Threshold and tolerance range
6.1 The threshold value for organotin compounds for the brief sampling method as
described here is:
6.2 The threshold value for cybutryne for the brief sampling method as described here
is:
Tolerance range
6.3 The tolerance range is 500 mg Sn / kg of dry paint (20%) in addition to the
threshold value.
6.4 The tolerance range is 250 mg cybutryne / kg of dry paint (25%) in addition to the
threshold value.
Organotin-containing compounds acting as biocides or catalysts
6.5 As stated in appendix I of resolution MEPC.358(78), for the purposes of defining compliance
with Annex 1
to the Convention, it should be noted that small quantities of organotin compounds,
acting as chemical catalysts (such as mono- and di-substituted organotin compounds), are
allowed, provided they are not acting as a biocide.
6.6 Inorganic impurities in the constituents of the paints should be considered.
6.7 At present neither organotin catalysts nor inorganic impurities are found at
concentrations which will be close to the threshold level (2,500 mg Sn/kg of dry paint)
or higher. However, organotin-containing compounds, when present in paint in order to
act as a biocide, were found in concentrations up to 50,000 mg Sn/kg of dry paint. Thus,
the discrimination between anti-fouling systems containing organotin compounds acting as
a biocide and anti-fouling systems not containing these compounds or not containing
these compounds at concentrations where they act as a biocide is reliably possible.
7
Definition of compliance
7.1 The analytical verification of the compliance will differ depending on the
substances targeted as listed in Annex 1 of the AFS Convention.
Case A. Analysis of organotin only
Two-step procedure
7.2 The analytical verification of the compliance with the Convention for organotin
compounds is performed in a two-step procedure according to the flow-diagram (diagram
B).

Diagram B: Flow diagram illustrating the two-step analysis procedure for organotin
compounds
Compliance with the criteria at the 'Step 1-level'
7.3 Compliance with the Convention is assumed when the results from the specimens 'A',
analysed in step 1, meet the following:
-
.1 no more than 25% of the total number of samples yield results above 2,500
milligrams total tin per kilogram dry paint (2,500 mg Sn/kg of dry paint); and
-
.2 no sample of the total number of at least eight samples shows a concentration
of total tin higher than the sum of threshold value plus the tolerance range, i.e.
no sample must exceed the concentration 3,000 mg Sn/kg of dry paint.
7.4 If the results in specimen 'A' indicate that no organotin acting as biocide is
present, then performing step 2 is not necessary.
Non-compliance with the criteria at the 'Step 1-level'
7.5 A positive result (non-compliance) is indicated if the provisions of paragraph 7.3
are not met.
7.6 A positive result at step 1 (specimen 'A') would indicate that step 2 should be
undertaken, and those samples labelled specimen 'B' should be analysed in order to
determine and characterize the organotin present (see diagram B).
Compliance with the criteria at the 'Step 2-level'
7.7 Compliance with the Convention is assumed when the results from the specimens 'B',
analysed in step 2, meet the following requirements at the same time:
-
.1 no more than 25% of the total number of samples yield results above 2,500
milligrams total tin per kilogram dry paint (2,500 mg Sn/kg of dry paint); and
-
.2 no sample of the total number of at least eight samples shows a concentration
of total tin higher than the sum of threshold value plus the tolerance range, i.e.
no sample must exceed the concentration 3,000 mg Sn/kg of dry paint.
Non-compliance at 'Step 2-level'
7.8 A positive result in step 2 indicates non-compliance if the provisions of paragraph
7.7 are not met. Such results should be interpreted to mean that organotin compounds are
present in the anti-fouling system at a level at which it would act as a biocide.
Case B. Analysis of cybutryne only
7.9 Compliance with the Convention is assumed when the results from specimen 'C',
analysed in a one-step analysis for cybutryne, meet the following requirement:
Non-compliance at the one-step analysis for cybutryne
7.10 An average value of the total number of specimens showing a concentration above the
threshold plus the tolerance range, i.e. 1,250 mg of cybutryne per kg of dry paint,
indicates non-compliance.
Case C. Simplified approach to detect organotin and cybutryne
7.11 Compliance with the Convention is assumed when the results from specimen 'C',
analysed in a one-step analysis for organotin and cybutryne, meet the two conditions
below:
-
.1 for organotin, the average value of the total number of specimens shows a
concentration below the threshold plus the tolerance range, i.e. 3,000 mg Sn/kg of
dry paint; and
-
.2 for cybutryne, the average value of the total number of specimens shows a
concentration below the threshold plus the tolerance range, i.e. 1,250 mg of
cybutryne per kg of dry paint.
Non-compliance at the one-step analysis for organotin and cybutryne
7.12 If one of the conditions set out in paragraph 7.11 above is not met, this indicates
non-compliance. Such results should be interpreted to mean that cybutryne or organotin
is present in the anti-fouling system at a level at which it would act as a biocide.
Appendix to Method 1
RECORD SHEET FOR THE BRIEF SAMPLING PROCEDURE FOR COMPLIANCE WITH THE CONVENTION IN
TERMS OF THE PRESENCE OF ORGANOTIN AND/OR CYBUTRYNE ACTING AS A BIOCIDE IN
ANTI-FOULING SYSTEMS ON SHIP HULLS
RECORD SHEET:
GUIDELINES FOR BRIEF SAMPLING OF ANTI-FOULING
SYSTEMS ON SHIPS - ORGANOTIN AND CYBUTRYNE
|
RECORD NUMBER:
|
| SECTION
1: Administration
|
| 1. Country
|
2. Name of port
|
3. Date
|
| 4.
Reason for sampling
|
| ☐ Port State control
|
☐ Survey & certification
|
☐ Other flag State compliance
inspection
|
| 5. Company details:
|
6. Inspecting official's
details
|
| 1. Name of ship:
|
1. Name:
|
| 2. Distinctive number or letters:
|
2. Comments:
|
| 3. Port of registry
|
|
| 4. Gross tonnage:
|
|
| 5. IMO
number:
|
|
| SECTION
2: Sampling
|
| 1. Time sampling
procedure initiated:
|
2. Description of
location from where samples were taken (frame number and distance from
boot topping, refer to paragraph
3.2):
|
| 3. Number of
samples taken (three or two specimens per sample):
|
| 4.
Photographs taken of the sample point prior to sampling?
|
|
|
☐ Yes
|
☐ No
|
5. Time sampling
procedure completed:
|
6. Additional
comments concerning sampling
procedure:
|
|
SECTION 3: Analysis and results
|
| Case A. Analysis of
organotin only
|
| 1.
Step 1 total tin analysis:
|
| Company name:
|
| Analyst
responsible:
|
Date :
|
| 2. Specimen
'A' results:
|
Total number of specimens
'A' analysed:
|
| No.
|
mg Sn / kg
|
No.
|
mg Sn / kg
|
No.
|
mg Sn / kg
|
No.
|
mg Sn / kg
|
| 1
|
|
5
|
|
9
|
|
13
|
|
| 2
|
|
6
|
|
10
|
|
14
|
|
| 3
|
|
7
|
|
11
|
|
15
|
|
| 4
|
|
8
|
|
12
|
|
16
|
|
| Number of
specimens exceeding 2,500 mg/kg:
|
| 1 or more
specimens exceeding 3,000 mg/kg:
|
☐
Yes
|
☐ No
|
| Conclusion:
|
Step 2
required
|
☐
|
| Compliance,
further analysis unnecessary:
|
☐
|
3.
Additional comments concerning analysis of results from Specimens
'A':
|
| 4.
Organotin analysis undertaken by:
|
| Company name:
|
| Analyst responsible:
|
Date :
|
| 5. Specimen
'B' results:
|
Total number of specimens
'B' analysed:
|
| No.
|
mg Sn / kg
|
No.
|
mg Sn / kg
|
No.
|
mg Sn / kg
|
No.
|
mg Sn / kg
|
| 1
|
|
5
|
|
9
|
|
13
|
|
| 2
|
|
6
|
|
10
|
|
14
|
|
| 3
|
|
7
|
|
11
|
|
15
|
|
| 4
|
|
8
|
|
12
|
|
16
|
|
| Number of
specimens exceeding 2,500 mg/kg:
|
| 1 or more
specimens exceeding 3,000 mg/kg:
|
☐
Yes
|
☐ No
|
| Conclusion:
|
Non-compliance
|
☐
|
| Compliance,
further analysis unnecessary:
|
☐
|
| 6.
Additional comments concerning analysis of results from Specimens
'B':
|
| Case B. Analysis of
cybutryne only
|
| 1.
A one-step analysis using gas chromatography/mass spectrophotometry
(GC/MS)
|
| Company name:
|
| Analyst
responsible:
|
Date :
|
| 2.
Specimen 'C' results:
|
|
| Total number of specimens 'C' analysed by GC-MS:
|
|
| Average concentration of cybutryne (mg of cybutryne per kg of dry
paint):
|
|
|
3. Conclusions:
|
| The
average concentration of cybutryne exceeds the threshold of 1,250 mg of
cybutryne per kg of dry paint
|
☐
Yes
|
☐ No
|
|
4. Additional comments concerning analysis of results from Specimens
'C':
|
| Case C. Simplified
approach to detect organotin and cybutryne
|
| 1.
A one-step analysis using gas chromatography/mass spectrophotometry
(GC/MS)
|
| Company name:
|
| Analyst
responsible:
|
Date :
|
| 2.
Specimen 'C' results:
|
|
| Total number of specimens 'C' analysed by GC-MS:
|
|
| Average concentration of organotin (mg Sn per kg of dry paint):
|
|
| Average concentration of cybutryne (mg of cybutryne per kg of dry
paint):
|
|
|
|
|
|
3. Conclusions:
|
| The
average concentration of organotin exceeds the threshold of 3,000 mg
Sn/kg of dry paint
|
☐
Yes
|
☐ No
|
| The
average concentration of cybutryne exceeds the threshold of 1,250 mg of
cybutryne/kg of dry paint
|
☐
Yes
|
☐ No
|
|
4. Additional comments concerning analysis of results from Specimens
'C':
|
| SECTION 4:
Final conclusion
|
| Summarized
conclusion:
|
|
|
Compliance with AFS Convention assumed
|
☐
|
|
|
Non-compliance with AFS Convention assumed
|
☐
|
|
THIS IS TO CERTIFY that this Record is correct in all respects.
|
| Issued
at
|
__________________________________________________
|
| (Place of issue of Record)
|
| _______________________________________________________________________________________________
|
| (Date
of issue)
|
(Printed name and signature of authorized official issuing the
Record)
|
|
|
(Seal
or stamp of the authority / organization)
|