Appendix 2 - Guidance on Validation/Verification of Evacuation Simulation Tools
Clasification Society 2026 - Version 9.60
Statutory Documents - IMO Publications and Documents - Circulars - Maritime Safety Committee - MSC.1/Circular.1533 – Revised Guidelines on Evacuation Analysis for New and Existing Passenger Ships – (6 June 2016) - Annex 3 - Guidelines for an Advanced Evacuation Analysis of New and Existing Passenger Ships - Appendix 2 - Guidance on Validation/Verification of Evacuation Simulation Tools

Appendix 2 - Guidance on Validation/Verification of Evacuation Simulation Tools

1 Software verification is an ongoing activity. For any complex simulation software, verification is an ongoing activity and is an integral part of its life cycle. There are at least four forms of verification that evacuation models should undergo. These arefootnote
  • .1 component testing;
  • .2 functional verification;
  • .3 qualitative verification; and
  • .4 quantitative verification.

Component testing

2 Component testing involves checking that the various components of the software perform as intended. This involves running the software through a battery of elementary test scenarios to ensure that the major sub-components of the model are functioning as intended. The following is a non-exhaustive list of suggested component tests that should be included in the verification process.

Test 1: Maintaining set walking speed in corridor

3 One person in a corridor 2 m wide and 40 m long with a walking speed of 1 m/s should be demonstrated to cover this distance in 40 s.

Test 2: Maintaining set walking speed up staircase

4 One person on a stair 2 m wide and a length of 10 m measured along the incline with a walking speed of 1 m/s should be demonstrated to cover this distance in 10 s.

Test 3: Maintaining set walking speed down staircase

5 One person on a stair 2 m wide and a length of 10 m measured along the incline with a walking speed of 1 m/s should be demonstrated to cover this distance in 10 s.

Test 4: Exit flow rate

6 100 persons (p) in a room of size 8 m by 5 m with a 1 m exit located centrally on the 5 m wall. The flow rate over the entire period should not exceed 1.33 p/s.

Test 5: Response duration

7 Ten persons in a room of size 8 m by 5 m with a 1 m exit located centrally on the 5 m wall. Impose response durations as follows uniformly distributed in the range between 10 s and 100 s. Verify that each occupant starts moving at the appropriate time.

Test 6: Rounding corners

8 Twenty persons approaching a left-hand corner (see figure 1) will successfully navigate around the corner without penetrating the boundaries.

Test 7: Assignment of population demographics parameters

9 Choose a panel consisting of males 30-50 years old from table 3.4 in the appendix to the Guidelines for the advanced evacuation analysis of new and existing ships and distribute the walking speeds over a population of 50 people. Show that the distributed walking speeds are consistent with the distribution specified in the table.

Figure 1: Transverse corridor

Functional verification

10 Functional verification involves checking that the model possesses the ability to exhibit the range of capabilities required to perform the intended simulations. This requirement is task specific. To satisfy functional verification the model developers must set out in a comprehensible manner the complete range of model capabilities and inherent assumptions and give a guide to the correct use of these capabilities. This information should be readily available in technical documentation that accompanies the software.

Qualitative verification

11 The third form of model validation concerns the nature of predicted human behaviour with informed expectations. While this is only a qualitative form of verification, it is nevertheless important, as it demonstrates that the behavioural capabilities built into the model are able to produce realistic behaviours.

Test 8: Counterflow – two rooms connected via a corridor

12 Two rooms 10 m wide and long connected via a corridor 10 m long and 2 m wide starting and ending at the centre of one side of each room. Choose a panel consisting of males 30-50 years old from table 3.4 in the appendix to the Guidelines for the advanced evacuation analysis of new and existing ships with instant response time and distribute the walking speeds over a population of 100 persons.

13 Step 1: One hundred persons move from room 1 to room 2, where the initial distribution is such that the space of room 1 is filled from the left with maximum possible density (see figure 2). The time the last person enters room 2 is recorded.

14 Step 2: Step one is repeated with an additional ten, fifty, and one hundred persons in room 2. These persons should have identical characteristics to those in room 1. Both rooms move off simultaneously and the duration for the last persons in room 1 to enter room 2 is recorded. The expected result is that the recorded duration increases with the number of persons in counterflow increases.

Figure 2: Two rooms connected via a corridor

Test 9: Exit flow: crowd dissipation from a large public room

15 Public room with four exits and 1,000 persons (see figure 3) uniformly distributed in the room. Persons leave via the nearest exits. Choose a panel consisting of males 30-50 years old from table 3.4 in the appendix to the Guidelines for the advanced evacuation analysis of new and existing ships with instant response time and distribute the walking speeds over a population of 1,000 persons.

Step 1: Record the amount of time the last person needs to leave the room.

Step 2: Close doors 1 and 2 and repeat step 1.

The expected result is an approximate doubling of the duration to empty the room.

Figure 3: Exit flow from a large public room

Test 10: Exit route allocation

16 Construct a cabin corridor section as shown in figure 4 populated as indicated with a panel consisting of males 30-50 years old from table 3.4 in the appendix to the Guidelines for the advanced evacuation analysis of new and existing ships with instant response time and distribute the walking speeds over a population of 23 persons. The people in cabins 1, 2, 3, 4, 7, 8, 9, and 10 are allocated the main exit. All the remaining passengers are allocated the secondary exit. The expected result is that the allocated passengers move to the appropriate exits.

Figure 4: Cabin area

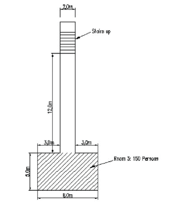
Test 11: Staircase

17 Construct a room connected to a stair via a corridor as shown in figure 5 populated as indicated with a panel consisting of males 30-50 years old from table 3.4 in the appendix to the Guidelines for the advanced evacuation analysis of new and existing ships with instant response time and distribute the walking speeds over a population of 150 persons. The expected result is that congestion appears at the exit from the room, which produces a steady flow in the corridor with the formation of congestion at the base of the stairs.

Figure 5: Escape route via stairs

Test 12: Flow density relation

18 The software should be tested for a corridor without any obstructions. It should be demonstrated that the flow of persons in the corridor is generally smaller at very high population densities compared with that at moderate densities.

Quantitative verification

19 Quantitative verification involves comparing model predictions with reliable data generated from evacuation demonstrations. At this stage of development there is insufficient reliable experimental data to allow a thorough quantitative verification of egress models. Until such data becomes available the first three components of the verification process are considered sufficient.


Copyright 2026 Clasifications Register Group Limited, International Maritime Organization, International Labour Organization or Maritime and Coastguard Agency. All rights reserved. Clasifications Register Group Limited, its affiliates and subsidiaries and their respective officers, employees or agents are, individually and collectively, referred to in this clause as 'Clasifications Register'. Clasifications Register assumes no responsibility and shall not be liable to any person for any loss, damage or expense caused by reliance on the information or advice in this document or howsoever provided, unless that person has signed a contract with the relevant Clasifications Register entity for the provision of this information or advice and in that case any responsibility or liability is exclusively on the terms and conditions set out in that contract.